Запасные части ЧТЗ Запасные части ЧТЗ
Санкт-Петербург
Например:
Актобе
Алдан
или
Выбрать автоматически
Актобе
Алдан
Алматы
Алчевск
Архангельск
Астана
Астрахань
Атырау
Баку
Балашиха
Барнаул
Белгород
Бердянск
Бишкек
Владивосток
Владикавказ
Воркута
Воронеж
Горловка
Грозный
Донецк
Екатеринбург
Иваново
Ижевск
Иркутск
Казань
Калининград
Каменск-Уральский
Караганда
Каховка
Кемерово
Киров
Комсомольск-на-Амуре
Костанай
Краснодар
Красноярск
Красный луч
Ленск
Луганск
Магадан
Магнитогорск
Макеевка
Махачкала
Мелитополь
Минск
Мирный (Якутия)
Москва
Мурманск
Нерюнгри
Нижневартовск
Нижний Новгород
Нижний Тагил
Новая каховка
Новокузнецк
Новосибирск
Новый Уренгой
Норильск
Ноябрьск
Нур-Султан
Омск
Оренбург
Ош
Павлодар
Пермь
Петрозаводск
Петропавловск
Петропавловск-Камчатский
Псков
Ростов-на-Дону
Салехард
Самара
Санкт-Петербург
Саратов
Севастополь
Семей
Симферополь
Сочи
Ставрополь
Сургут
Сыктывкар
Тараз
Ташкент
Токмак
Томск
Тында
Тюмень
Ульяновск
Усинск
Усть-Каменогорск
Уфа
Хабаровск
Ханты-Мансийск
Херсон
Челябинск
Чита
Шымкент
Экибастуз
Энергодар
Южно-Сахалинск
Якутск
Ваш город
Санкт-Петербург
Войти
Запасные части к тракторам на одном сайте
+7 (932) 303-00-10
+7 (932) 303-00-10
г. Санкт-Петербург, 1-й Верхний переулок, д. 12Б
Пн-Пт: 9:30-18:30 Cб-Вс: Выходной
Отправить заявку


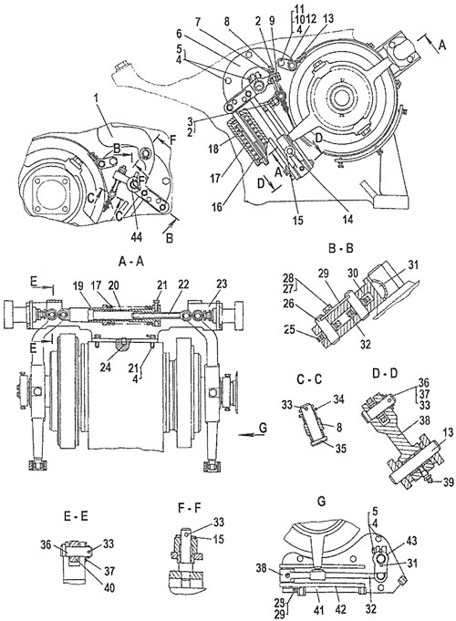
Управление лебедкой на ТР20 и ТР12


/
с НДС 20%
Описание
Управление лебедкой ТР20 и ТР12
Поз.ОбозначениеНаименованиеКол-во
171-13-107СПРычаг1
2M12-7H.6.019Гайка 3
3М12-6gх40.58.019Болт 1
410 ОТ 65Г 09Шайба 17
5М10-6gх45.58.019Болт 11
671-13-101СПКронштейн1
771-13-54Упор1
871-13-3Тяга1
938551Пружина1
10М10-7Н.6.019Гайка 1
112994Шпилька1
1271-13-5Пластина1
13700-47-2150-01Ось3
14М10-6gх40.58.019Болт 1
1531477-01Шайба2
1671-13-110СПКронштейн1
17700-38-2901Пружина2
1871-13-113СПУпор1
1971-13-111СПНаправляющая1
2071-13-112СПТолкатель1
21М10-6gх30.58.019Болт 5
2271-13-8Тяга1
2371-13-115СПКронштейн1
24700-32-2201Штифт2
2571-13-104СПТяга1
26700-47-2150Ось2
278Т 65Г 09Шайба 6
28М86gх16.88.35.019Болт 6
2971-13-2Планка3
3071-13-1Рычаг1
3134128Шпонка сегментная2
3271-13-114СПТяга2
334x32Шплинт 8
34700-31-2204Шайба2
35700-47-2151Ось1
36700-47-2152Ось7
3714х1.02.3кпШайба 7
3871-13-106СПРычаг2
391.3Ц6Масленка 2
4071-13-10Ролик2
4171-13-102СПКронштейн1
4271-13-109СПКронштейн1
4371-13-9Рычаг1
4471-13-12Рычаг1
Управление лебедкой